Gomesa bifolia
Taxonomy: Angiospermae, Asparagales, Orchidaceae, Gomesa
Links: https://tropicos.org/name/100441731, http://conosur.floraargentina.edu.ar/species/details/193570;, https://species.wikimedia.org/wiki/Gomesa_bifolia
Annotations: Duck orchid, one of the southernmost epiphytic orchids (between 0-2000 meters above sea level) native to Argentina, withstands cold (5 to 30 degrees), and can be planted in trees, dry branches, and in pots
Published: 2025-09-09
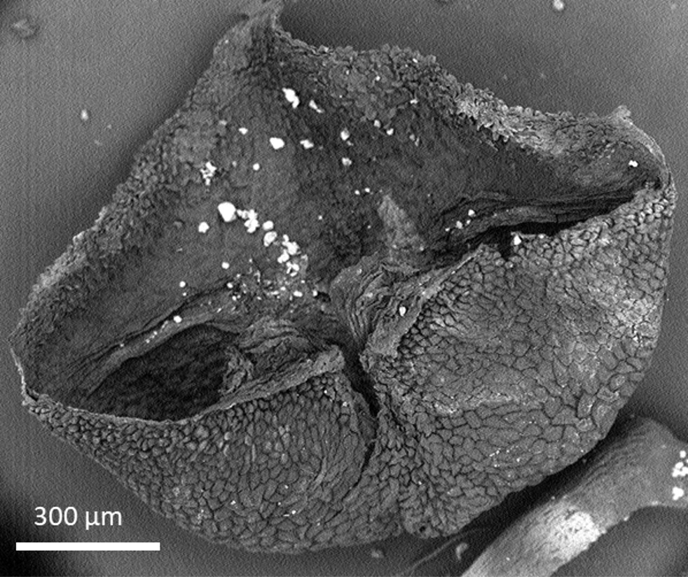
Pollen Description
Shape, Size and Aperture
pollen unit: pollinium, dispersal unit and peculiarities: pollinarium, size (pollen unit): very large (>100 µm), size of hydrated pollen (LM): -, shortest polar axis in equatorial view (LM): -, longest polar axis in equatorial view (LM): -, shortest diameter in equatorial or polar view (LM): -, longest diameter in equatorial or polar view (LM): -, pollen class: inaperturate, polarity: heteropolar, P/E-ratio: -, shape: -, outline in polar view: -, dominant orientation (LM): -, P/E-ratio (dry pollen): -, shape (dry pollen): -, outline in polar view (dry pollen): -, infoldings (dry pollen): -, aperture number: none, aperture type: no aperture, aperture condition: -, aperture peculiarities: -
Ornamentation and Structure
LM ornamentation LM: -, nexine: -, sexine: -, SEM ornamentation SEM: -, suprasculpture SEM: -, TEM tectum: -, infratectum: -, foot layer: -, endexine: -, intine: -, wall peculiarities: -, supratectal element: -
Miscellaneous
pollen coatings: -, reserves in cytoplasm: -, cell number: -, Ubisch bodies: -
Annotations: Anther carries at its end a retinaculum that supports the pollinarium formed by two yellow, cartilaginous globose pollinia (pollen masses) joined by a hyaline caudicle to a dark viscidium.
Author(s) of diagnosis: di Pasquo, Maria de las Mercedes
Pictures
Picture legend
- habitus, flower(s), photographer: di Pasquo Mercedes
- habitus, photographer: di Pasquo Mercedes
- habitus, flower(s), photographer: di Pasquo Mercedes
- detail of flower(s), photographer: di Pasquo Mercedes
- sperm cells - dry, unfixed, unstained, photographer: di Pasquo Mercedes
- dry pollen - fresh, unfixed, photographer: di Pasquo Mercedes
- dry pollen - dry, unfixed, photographer: di Pasquo Mercedes
- dry pollen - dry, unfixed, photographer: di Pasquo Mercedes
- dry pollen - dry, unfixed, photographer: di Pasquo Mercedes
- dry pollen - dry, unfixed, photographer: di Pasquo Mercedes
- dry pollen - dry, unfixed, photographer: di Pasquo Mercedes
- dry pollen - dry, unfixed, photographer: di Pasquo Mercedes
Literature
- (2009) Elaiophores in Gomesa bifolia (Sims) M.W. Chase & N.H. Williams (Oncidiinae: Cymbidieae: Orchidaceae): structure and oil secretion Annals Botany 104: 1141-1149
- (2001) Las orquídeas del Parque Nacional Iguazú : 296
- (2023) Catálogo polínico de especies de plantas cultivadas y nativas de la provincia de Entre Ríos con énfasis en las regiones de Diamante y Colón (PARTE II) Boletín ALPP 23: 142-166
Copyright and Citation
Cite this publication as:
di Pasquo M., di Pasquo Mercedes 2025. Gomesa bifolia. In: PalDat - A palynological database. https://www.paldat.org/en/pub/Gomesa_bifolia/306854; accessed 2025-10-25












