PalDat Logo

PalDat - Palynological Database

an online publication on recent pollen

Orthophytum erigens

Taxonomy: Angiospermae, Poales, Bromeliaceae, Orthophytum

Links: https://powo.science.kew.org/taxon/urn:lsid:ipni.org:names:77108447-1

Annotations: Orthophytum erigens Leme

Published: 2026-01-12

Pollen Description

Shape, Size and Aperture

pollen unit: monad,  dispersal unit and peculiarities: monad,  size (pollen unit): medium-sized (26-50 µm),  size of hydrated pollen (LM): -,  shortest polar axis in equatorial view (LM): -,  longest polar axis in equatorial view (LM): -,  shortest diameter in equatorial or polar view (LM): -,  longest diameter in equatorial or polar view (LM): -,  pollen class: sulcate,  polarity: heteropolar,  P/E-ratio: oblate,  shape: -,  outline in polar view: elliptic,  dominant orientation (LM): -,  P/E-ratio (dry pollen): oblate,  shape (dry pollen): boat-shaped,  outline in polar view (dry pollen): -,  infoldings (dry pollen): aperture(s) sunken,  aperture number: 1,  aperture type: sulcus,  aperture condition: sulcate,  aperture peculiarities: aperture membrane ornamented

Ornamentation and Structure

LMornamentation LM: -,  nexine: -,  sexine: -,  SEMornamentation SEM: reticulate, microreticulate,  suprasculpture SEM: -,  TEMtectum: -,  infratectum: -,  foot layer: -,  endexine: -,  intine: -,  wall peculiarities: -,  supratectal element: -

Miscellaneous

pollen coatings: -,  reserves in cytoplasm: -,  cell number: -,  Ubisch bodies: -

Author(s) of diagnosis: Halbritter, Heidemarie

Pictures

distal polar view

1. distal polar view

proximal polar view

2. proximal polar view

equatorial view

3. equatorial view

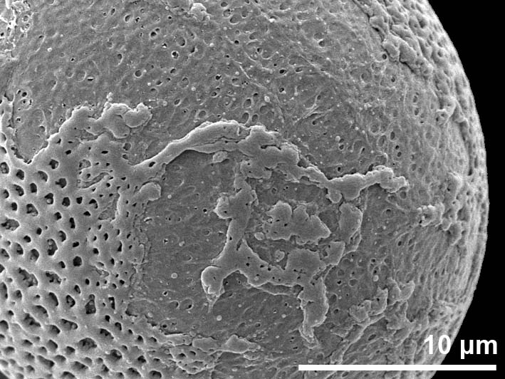
aperture

4. aperture

aperture detail

5. aperture detail

exine surface

6. exine surface

exine surface

7. exine surface

dry pollen

8. dry pollen

Picture legend

  1. distal polar view - dry, rehydrated (water) & critical point dried & sputter coated with gold, photographer: Halbritter, H.
  2. proximal polar view - dry, rehydrated (water) & critical point dried & sputter coated with gold, photographer: Halbritter, H.
  3. equatorial view - dry, rehydrated (water) & critical point dried & sputter coated with gold, photographer: Halbritter, H.
  4. aperture - dry, rehydrated (water) & critical point dried & sputter coated with gold, photographer: Halbritter, H.
  5. aperture detail - dry, rehydrated (water) & critical point dried & sputter coated with gold, photographer: Halbritter, H.
  6. exine surface - dry, rehydrated (water) & critical point dried & sputter coated with gold, photographer: Halbritter, H.
  7. exine surface - dry, rehydrated (water) & critical point dried & sputter coated with gold, photographer: Halbritter, H.
  8. dry pollen - dry, sputter coated with gold, photographer: Halbritter, H.

Literature

  • Halbritter, H (1998) Preparing living pollen material for scanning electron microscopy using 2,2-dimethoxypropane (DMP) and criticalpoint drying. Biotechnic Histochem 73: 137–143

Copyright and Citation

Cite this publication as:

Halbritter H. 2026. Orthophytum erigens. In: PalDat - A palynological database. /en/pub/Orthophytum_erigens/306917; accessed 2026-03-26