Puya grafii
Taxonomy: Angiospermae, Poales, Bromeliaceae, Puya
Links: https://powo.science.kew.org/taxon/urn:lsid:ipni.org:names:284062-2
Annotations: Puya grafii Rauh
Published: 2026-01-28
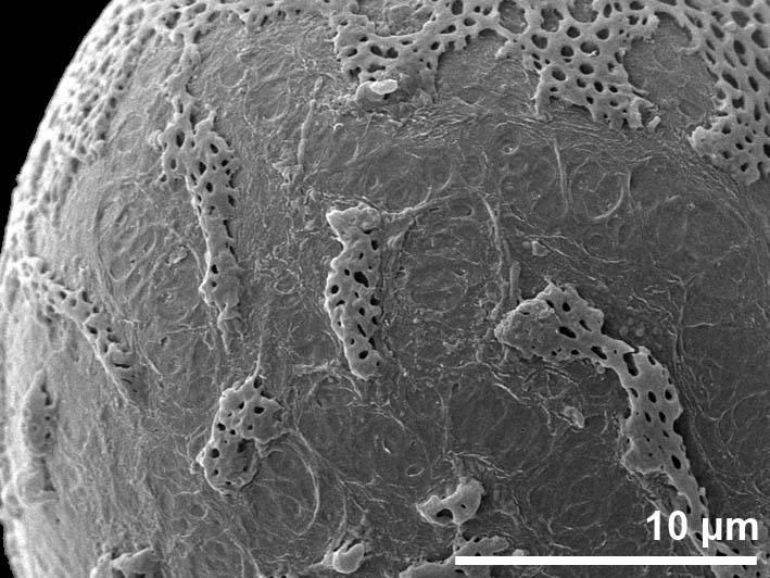
Pollen Description
Shape, Size and Aperture
pollen unit: monad, dispersal unit and peculiarities: monad, size (pollen unit): large (51-100 µm), size of hydrated pollen (LM): -, shortest polar axis in equatorial view (LM): -, longest polar axis in equatorial view (LM): -, shortest diameter in equatorial or polar view (LM): -, longest diameter in equatorial or polar view (LM): -, pollen class: sulcate, polarity: heteropolar, P/E-ratio: oblate, shape: -, outline in polar view: elliptic, dominant orientation (LM): -, P/E-ratio (dry pollen): oblate, shape (dry pollen): irregular, outline in polar view (dry pollen): irregular, infoldings (dry pollen): irregularly infolded, aperture number: 1, aperture type: sulcus, aperture condition: sulcate, aperture peculiarities: aperture membrane ornamented
Ornamentation and Structure
LM ornamentation LM: -, nexine: -, sexine: -, SEM ornamentation SEM: reticulate, suprasculpture SEM: -, TEM tectum: -, infratectum: -, foot layer: -, endexine: -, intine: -, wall peculiarities: -, supratectal element: -
Miscellaneous
pollen coatings: -, reserves in cytoplasm: -, cell number: -, Ubisch bodies: -
Author(s) of diagnosis: Halbritter, Heidemarie
Pictures
Picture legend
- distal polar view - dry, rehydrated (water) & critical point dried & sputter coated with gold, photographer: Halbritter, H.
- oblique proximal polar view - dry, rehydrated (water) & critical point dried & sputter coated with gold, photographer: Halbritter, H.
- oblique equatorial view - dry, rehydrated (water) & critical point dried & sputter coated with gold, photographer: Halbritter, H.
- equatorial view - dry, rehydrated (water) & critical point dried & sputter coated with gold, photographer: Halbritter, H.
- aperture detail - dry, rehydrated (water) & critical point dried & sputter coated with gold, photographer: Halbritter, H.
- aperture detail - dry, rehydrated (water) & critical point dried & sputter coated with gold, photographer: Halbritter, H.
- exine surface - dry, rehydrated (water) & critical point dried & sputter coated with gold, photographer: Halbritter, H.
- dry pollen - dry, sputter coated with gold, photographer: Halbritter, H.
Literature
- (1998) Preparing living pollen material for scanning electron microscopy using 2,2-dimethoxypropane (DMP) and criticalpoint drying. Biotechnic Histochem 73: 137–143
Copyright and Citation
Cite this publication as:
Halbritter H. 2026. Puya grafii. In: PalDat - A palynological database. /en/pub/Puya_grafii/306934; accessed 2026-05-11








