Astropanax monophyllus
Taxonomy: Angiospermae, Apiales, Araliaceae, Aralioideae, Astropanax
Links: https://powo.science.kew.org/taxon/urn:lsid:ipni.org:names:77164604-1
Published: 2025-11-06
Pollen Description
Shape, Size and Aperture
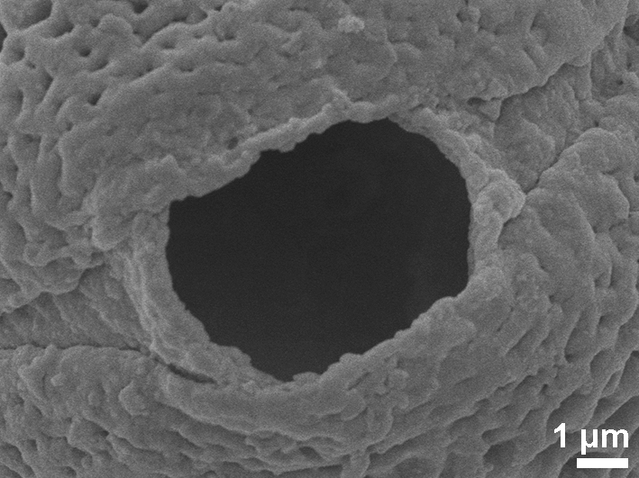
pollen unit: monad, dispersal unit and peculiarities: monad, size (pollen unit): small (10-25 µm), size of hydrated pollen (LM): 16-20 µm, shortest polar axis in equatorial view (LM): 16-20 µm, longest polar axis in equatorial view (LM): 16-20 µm, shortest diameter in equatorial or polar view (LM): 16-20 µm, longest diameter in equatorial or polar view (LM): 16-20 µm, pollen class: colporate, polarity: isopolar, P/E-ratio: isodiametric, shape: spheroidal, outline in polar view: triangular, dominant orientation (LM): equatorial, P/E-ratio (dry pollen): isodiametric, shape (dry pollen): spheroidal, outline in polar view (dry pollen): circular, infoldings (dry pollen): not infolded, aperture number: 3, aperture type: colporus, aperture condition: colporate, aperture peculiarities: -
Ornamentation and Structure
LM ornamentation LM: scabrate, reticulate, nexine: present, sexine: present, SEM ornamentation SEM: microreticulate, perforate, reticulate, fossulate, suprasculpture SEM: -, TEM tectum: -, infratectum: -, foot layer: -, endexine: -, intine: -, wall peculiarities: -, supratectal element: -
Miscellaneous
pollen coatings: -, reserves in cytoplasm: -, cell number: -, Ubisch bodies: -
Author(s) of diagnosis: Sedlačko, Adam; Jacobs, Bonnie F; Grímsson, Friðgeir
Pictures
Picture legend
- Equatorial view - dry, acetolyzed & glycerine, unstained, photographer: Sedlačko, A.
- Polar view - dry, acetolyzed & glycerine, unstained, photographer: Sedlačko, A.
- Equatorial view - dry, acetolyzed & sputter coated with gold, photographer: Sedlačko, A.
- Equatorial view - dry, acetolyzed & sputter coated with gold, photographer: Sedlačko, A.
- Equatorial view - dry, acetolyzed & sputter coated with gold, photographer: Sedlačko, A.
- Polar view - dry, acetolyzed & sputter coated with gold, photographer: Sedlačko, A.
- Oblique view - dry, acetolyzed & sputter coated with gold, photographer: Sedlačko, A.
- Sculpture in polar area - dry, acetolyzed & sputter coated with gold, photographer: Sedlačko, A.
- Sculpture in interapertural area - dry, acetolyzed & sputter coated with gold, photographer: Sedlačko, A.
- Sculpture along colpi - dry, acetolyzed & sputter coated with gold, photographer: Sedlačko, A.
- Sculpture along colpi - dry, acetolyzed & sputter coated with gold, photographer: Sedlačko, A.
Literature
- (2018) Illustrated Pollen Terminology 2nd Edition
- (2025) Fossil Astropanax Seem. (Araliaceae) from the early Miocene (21.73 Mya) Mush Valley plant assemblages of Ethiopia Botanical Journal of the Linnean Society 209: 280-302
Copyright and Citation
Cite this publication as:
Sedlačko A., Jacobs B., Grímsson F. 2025. Astropanax monophyllus . In: PalDat - A palynological database. https://www.paldat.org/pub/Astropanax_monophyllus_/306755; accessed 2025-11-07











