Decodon verticillatus
Taxonomy: Angiospermae, Myrtales, Lythraceae, Decodon
Links: https://powo.science.kew.org/taxon/urn:lsid:ipni.org:names:30265188-2, http://www.efloras.org/flora_page.aspx?flora_id=1
Annotations: Decodon verticillatus (L.) Elliott
Published: 2026-02-24
Pollen Description
Shape, Size and Aperture
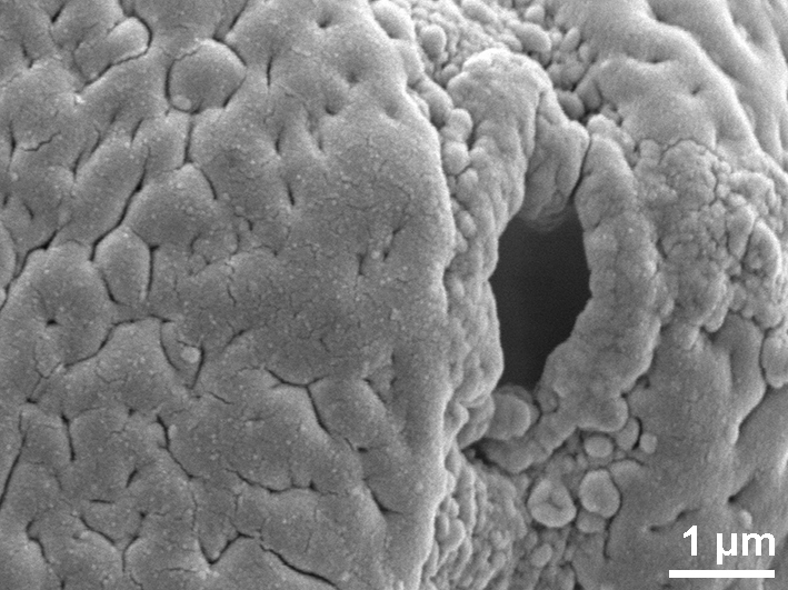
pollen unit: monad, dispersal unit and peculiarities: monad, size (pollen unit): small (10-25 µm), size of hydrated pollen (LM): 26-30 µm, shortest polar axis in equatorial view (LM): 21-25 µm, longest polar axis in equatorial view (LM): 26-30 µm, shortest diameter in equatorial or polar view (LM): 16-20 µm, longest diameter in equatorial or polar view (LM): 21-25 µm, pollen class: colporate, polarity: isopolar, P/E-ratio: prolate, shape: spheroidal, outline in polar view: circular, dominant orientation (LM): equatorial, P/E-ratio (dry pollen): -, shape (dry pollen): -, outline in polar view (dry pollen): -, infoldings (dry pollen): -, aperture number: 3, aperture type: colporus, aperture condition: tricolporate, colporate, aperture peculiarities: bridge
Ornamentation and Structure
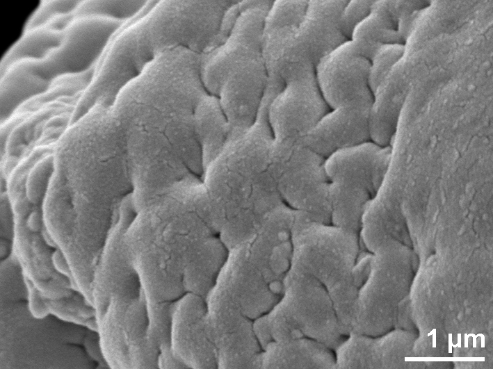
LM ornamentation LM: scabrate, nexine: present, sexine: present, SEM ornamentation SEM: rugulate, perforate, psilate, fossulate, suprasculpture SEM: -, TEM tectum: eutectate, infratectum: -, foot layer: -, endexine: -, intine: -, wall peculiarities: -, supratectal element: -
Miscellaneous
pollen coatings: -, reserves in cytoplasm: -, cell number: -, Ubisch bodies: -
Author(s) of diagnosis: Grímsson, Friðgeir; Zetter, Reinhard
Pictures
Picture legend
- acetolyzed pollen, equatorial view, polar view - dry, acetolyzed & glycerine, unstained, photographer: Grímsson, F.
- acetolyzed pollen, equatorial view - dry, acetolyzed & glycerine, unstained, photographer: Grímsson, F.
- acetolyzed pollen, equatorial view - dry, acetolyzed & sputter coated with gold, photographer: Grímsson, F.
- acetolyzed pollen, oblique view - dry, acetolyzed & sputter coated with gold, photographer: Grímsson, F.
- acetolyzed pollen, equatorial view - dry, acetolyzed & sputter coated with gold, photographer: Grímsson, F.
- acetolyzed pollen, equatorial view - dry, acetolyzed & sputter coated with gold, photographer: Grímsson, F.
- acetolyzed pollen, equatorial view - dry, acetolyzed & sputter coated with gold, photographer: Grímsson, F.
- acetolyzed pollen, equatorial view, exine surface, aperture detail - dry, acetolyzed & sputter coated with gold, photographer: Grímsson, F.
- acetolyzed pollen, equatorial view, exine surface, aperture detail - dry, acetolyzed & sputter coated with gold, photographer: Grímsson, F.
- acetolyzed pollen, equatorial view, exine surface - dry, acetolyzed & sputter coated with gold, photographer: Grímsson, F.
Literature
- (2012) Morphological trends in the fossil pollen of Decodon and the paleobiogeographic history of the genus International Journal of Plant Sciences 173: 297-317
Copyright and Citation
Cite this publication as:
Grímsson F., Zetter R. 2026. Decodon verticillatus. In: PalDat - A palynological database. /pub/Decodon_verticillatus/306968; accessed 2026-03-03










